
Figure 1.1 Wheatstone´s bridge
Wheatstone´s bridge is a electrical circuit that can be applied when physical quantities like mechanical stress or temperature are aimed to be measured. For someone who is not used to looking at electrical circuits or that is new to the field of electronics its appearance maybe confusing. So let´s take some time to dissect the circuit & understand how it works.
To understand Wheatstone´s bridge we first need to look at voltage divider:

Figure 1.2 Voltage divider
The principle of a voltage divider is based on the fact that the same magnitude of current is flowing through all resistors that are mounted in series. In the example above this means that the current IT will be dictated by the combined resistance in our two serial connected resistors & the voltage that we apply across them. If both resistors have the exact same value the applied voltage will be distributed evenly across the two, regardless of the amplitude of the applied voltage. This can be derived using Ohm´s law:

A voltage divider can be used & is often used in combination with a micro controllers where one of the resistors value changes depending on a physical exposure of some kind, for instance light, temperature etc…The Uout is then connected to an analog input where this signal can be monitored, stored or displayed depending on what the application may be. To create the principle circuit of Wheatstone´s bridge we actually only need to put another voltage divider in parallel with the first one:

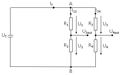
Figure 1.3 Parallel voltage dividers
The figure 1.3 has exactly the same functionality as the circuit displayed in figure 1.1, but drawn differently. If the bridge is completely balanced then the two parallel voltage dividers would give an equal voltage drop over both resistors. This means that if we put a voltmeter between U2out & U4out, we would measure a potential difference of 0 V. If the bridge is not in balance then our voltmeter would display a voltage difference which also means that if these two points are galvanically connected a current would flow between the two! A common element to “tune” the circuit is to use a potentiometer instead of a fixed resistor in one of the branches. The advantage of using Wheatstone´s bridge instead of one voltage divider is the accuracy of the measurement. There are many different alterations that can be done to the fundamental Wheatstone´s bridge circuit depending on what you measure, required accuracy or disturbances.
Leave a comment